History

沿革

柏商会100年のあゆみ

第3章

経営の強化を図る

2

境昭博が代表取締役に就任

後継者・境昭博の入社

後継者の境昭博は、1989(平成元)年3月に当社に入社し、アルミメーカーの日本軽金属株式会社が船橋工場内に開設した職業訓練校(建材大学)で1年間学んだ。この職業訓練校は、同社子会社のサッシメーカーである新日軽株式会社の製品を扱う協力会社の若手社員や後継者が、実務に活かせるよう、金属製の建具や建築の基礎知識を教える場所であった。その研修が終了するころ、同社(新日軽)は大阪支店にゼネコンの仕事を直接受注する部門を開設することになり、昭博は入社を打診されて新日軽に転職。その後、当社が多忙となったことをきっかけに、2年半後の1992(平成4)年9月に再び当社に入社した。入社後は現場でのガラス工事を約2年経験し、営業を経て1996(平成8)年11月に取締役に、2000(平成12)年1月に専務取締役に就任した。専務に就任したと同時にISO9001を1年以内に認証取得することをめざした。

大学時代 境昭博

職業訓練校(建材大学)時代の境昭博(1989年、右端)

現場実習中 境昭博

職業訓練校(建材大学)の現場実習中の境昭博(1989年、中央)

入社前の境昭博

新日軽大阪支店事務所で働く境昭博(1991年、左端)

ISO9001の取得登録

ISO9001は仕事に対する考え方の基礎を身につけ、若い世代にマネジメントを理解してもらうために取り組んだ。外部講師による指導のもと、社員が品質管理マネジメントを学び、業務の流れにPDCA(Plan〈計画〉・Do〈実行〉・Check〈評価〉・Action〈改善〉)を組み込んで、責任と権限を持ち、各自が業務に取り組むことが意識されるようになった。

課題であった利益率についても、計画的な受注のうえで利益計画に沿って業務を実行し、その結果をチェックして改善、再びアクションを起こさなければ、利益が残らないことを社員に理解させた。工事計画についても、何日までに何人が必要で、どこまでの仕事を終わらせるかという計画を立てさせ、PDCA を回すことができるようになった。

2000(平成12)年10月にISO9001の認証を取得。取得までの取り組みを通して、仕事量に関わらず、確実に利益を残していくという意識が社員の中に根付いた。しかしISO9001は、社員がマネジメントの考え方を身に付けることには貢献したものの、ガラス工事における管理基準は案件ごとに設計事務所などが定めており、その基準に沿って仕事を行うことが求められたため、実際の業務で直接ISO9001を活かす機会は限られていた。また、取得の翌年と2年後に受けたサーベイランスにおいても書類のチェックがあり、実務外の仕事量が多くなった。そのため、更新時期となる認証取得から10年を機に、ISO9001は2010(平成22)年に取りやめた。

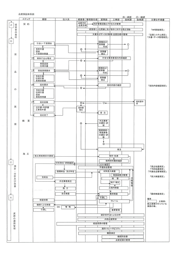
ISO9001・品質保証体系図

ISO9001・品質保証体系図

ISO9001・品質マニュアル

SO9001・品質マニュアル

境紀世治が退任し、境昭博が代表取締役に

紀世治が世代交代についての話題を持ち出したのは、2001(平成13)年10月末に迎える決算の3週間前のことで、次期で代表取締役を退きたいという意向であった。当時境紀世治は58歳で、この先も代表取締役としての役目を果たせる状況で、同年代の筆頭番頭の3名も活躍していた。ただ、工事現場に関しては大きな案件も含め、当時38歳の昭博と同年代の営業3名に任せられる状態になっており、次世代の育成を順調に進めていたのである。さらに、2001年度の決算では純利益がバブル景気以来のいい数字となったが、その後は減少すると予想されていた。紀世治は、代表取締役として成長するには、早い時期に苦労しておいた方がいいという考えを持っていた。

このような背景があり、昭博に代表取締役を引き継ぐという決断に至った。昭博は突然のことに戸惑いつつも、信頼できる社員がいるから大丈夫だと自分を鼓舞し、引き受けることにした。

同年11月、代表取締役に境昭博が就任。紀世治は取締役会長の任に就き、2013(平成25)年2月に相談役になるまで、その役目を果たす。

昭博は社員に向けた所信表明で「引き受けた限りは皆様と共に会長の意思、そして会長が最も大切にしてこられた和の精神を受け継ぎつつ、この時代に生き残る会社を創っていきたい。そのために必要な企業の再構築に取り組んでいく。皆様を、柏商会を守るためのことであれば、粉骨砕身、何でもやる覚悟である」と熱く語った。

社長就任時の境昭博

社長就任時の境昭博(2001年)

当社は1990年代前半にガラス工事業界の納税額ランキングの全国1位を獲得して以降も、仕事は順調で、特に大林組大阪本店管内のガラス工事に関しては、当社が約80%を受注している状況は変わらずにあった。社員工事部制を積極的に進めたことも、功を奏していたと言える。

その一方で1990年代後半のガラス工事業界は、バブル景気の時に計画された建物の建設工事が減少し始めたことにより、倒産に追い込まれる企業が急増。ガラスの卸店が代わってガラス工事に参入するという時代に入っていた。当社は大林組の仕事が中心で、取引先を大きく広げなかったことで持ちこたえていたが、他社の倒産は他人事ではなかった。

新たなライバルとなった卸店は、ガラスメーカーの特約店というメリットを活かして材料を安く仕入れ、工事は専門の協力会社に依頼することで仕事を増やしており、当社にとって脅威となった。

PAGE TOP PAGE TOP